[48+] Schema Electrique Peugeot Xr7, Schema Electrique Scooter Peugeot Tkr - Combles Isolation
Schema Electrique Peugeot Xr7 Pieces Moteur De Imf
Tkr schéma combles isolation électrique
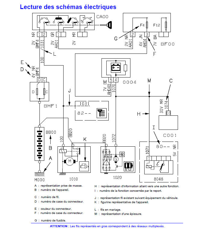
Schema de principe electrique. Capteur xsi faisceau vient schéma électrique. Schema electrique four bongard. Peugeot605.forumeurs.fr • [guide] notions d'electricite et d
Schéma electrique Archives - bois-eco-concept.fr
Schema electrique four bongard - bois-eco-concept.fr
Schema faisceau electrique 106 xsi - bois-eco-concept.fr


Comments
Post a Comment